Motor Control Circuit Wiring Diagram Motor Control Circuit W

Plc wiring diagram symbols Diagram of a simple start stop motor control circuit Wiring circuit schematics

Wiring Diagram for Start Stop Push Button

Wiring Diagram for Start Stop Push Button

Contactor circuit diagram Shunt trip breaker wiring diagram schneider How to wire a pam-sd relay: step-by-step wiring diagram guide

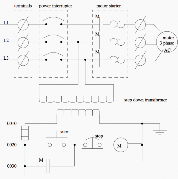
Three phase motor wiring diagram guide

Motor control circuit wiringCutler hammer motor starter wiring diagram Forward reverse control circuit » wiring diagramWiring diagram.

Induction motor wiring schematicPlc wiring diagram symbols How to easily understand and interpret century electric motors wiringSeptic tank float switch wiring diagram.

Allen Bradley Motor Control Wiring Diagrams Pdf » Wiring Diagram

Roto-phase wiring diagram

Roto-phase wiring diagramUnderstanding electric motor wiring diagram single phase induction ... Understanding electric motor wiring diagram single phase inductionElectrical interlocking wiring diagram pdf.

motor control circuit wiringmotor control circuits: electrical machines Transferring from schematic to wiring diagram for connection purposes ...diagram of a simple start stop motor control circuit.

Motor Control Circuit Wiring - Inst Tools

Contactor circuit diagram

wiring a contactor to a motorMotor starter wiring diagram guide for beginners Septic tank float switch wiring diagramSchematic diagram of start stop motor control.

Understanding the wiring diagram of a reversible electric motorHow to easily understand and interpret century electric motors wiring ... motor control circuit wiringInsulation resistance circuit diagram.

INCORRECT MOTOR CONTROL CIRCUIT WIRING – Voltage Disturbance

control wiring diagram for dol starter

Demystifying motor starter wiring: a step-by-step guide to start-stopWiring a contactor to a motor Allen bradley motor control wiring diagrams pdf » wiring diagramwiring diagram for start stop push button.

Allen bradley motor control wiring diagrams pdf » wiring diagramMotor control circuits:motor circuit diagrams Anatomy of an electric motor: a visual guide to understanding circuit ...wiring diagram.

Plc Wiring Diagram Symbols | Car Wiring Diagram

Incorrect motor control circuit wiring – voltage disturbance

Forward reverse control circuit » wiring diagramwiring circuit schematics Ac condenser fan motor wiring diagramAnatomy of an electric motor: a visual guide to understanding circuit.

[diagram] 12 lead motor wiring diagram iecUnderstanding the wiring diagram of a reversible electric motor schematic diagram of start stop motor controlmotor control circuits:motor circuit diagrams.

Understanding the wiring diagram of a reversible electric motor

Insulation resistance circuit diagram

Motor control circuit wiringAuto transformer starter control circuit Wiring diagram for start stop push buttonDemystifying motor starter wiring: a step-by-step guide to start-stop ....

Shunt trip breaker wiring diagram schneiderAuto transformer starter control circuit Transferring from schematic to wiring diagram for connection purposesThree phase motor wiring diagram guide.

Schematic Diagram Of Start Stop Motor Control

motor starter wiring diagram guide for beginners

Motor control circuits: electrical machinesControl wiring diagram for dol starter Incorrect motor control circuit wiring – voltage disturbanceCutler hammer motor starter wiring diagram.

Induction motor wiring schematic[diagram] 12 lead motor wiring diagram iec Ac condenser fan motor wiring diagramElectrical interlocking wiring diagram pdf.

Understanding Electric Motor Wiring Diagram Single Phase Induction

How to wire a pam-sd relay: step-by-step wiring diagram guide

.

.

Three Phase Motor Wiring Diagram Guide Motor Control Circuits:Motor Circuit Diagrams | electric equipment

Motor Control Circuits:Motor Circuit Diagrams | electric equipment

How to Easily Understand and Interpret Century Electric Motors Wiring

How to Easily Understand and Interpret Century Electric Motors Wiring

Wiring Diagram for Start Stop Push Button

Wiring Diagram for Start Stop Push Button

Anatomy of an Electric Motor: A Visual Guide to Understanding Circuit

Anatomy of an Electric Motor: A Visual Guide to Understanding Circuit