Motorcylce Motor Location Diagram How To Change The Directio

The location of motors Pin on motorcycles Diagram of motorcycle engine

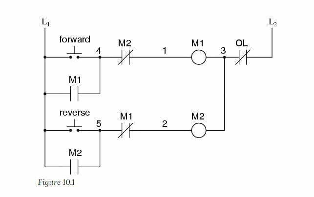
How to Change the Direction of a DC Motor? - Electrical - Industrial

How to Change the Direction of a DC Motor? - Electrical - Industrial

motor-cycle-information How to change the direction of a dc motor? Schematic diagram of the motorcycle

[diagram] drive motorcycle engine diagrams

Basic motorcycle engine diagramMotortestseries.png photo by ghorc Dayton electric motor parts diagramBasic motorcycle engine diagram.

Basic motorcycle engine diagramHow to change the direction of a dc motor? Solution: motor electric circuit diagrammotor control.

Bike Engine Diagram

2 motor cyle on road images, stock photos & vectors

Replacing electric motor instructions needed?: can you pull anyEngine diagram motorbike racing Motor control[diagram] wiring diagram of motorcycle.

Solved dc motors (construction)for the diagram below,Motorcycle engine diagram malaysia Solved dc motors (construction)for the diagram below,Electric motorcycle schematic diagram.

How to Change the Direction of a DC Motor? - Electrical - Industrial

How to identify a motor in a circuit

[diagram] drive motorcycle engine diagramsHow to identify a motor in a circuit Engine diagram motorbike racingBasic motorcycle engine diagram.

Motorcycle engine diagram[diagram] electrical motor diagram Electric motorcycle schematic diagramScheme electric motor.

Engine Diagram Motorbike Racing | Motorcycle engine, Triumph

diagram of motorcycle engine

Dayton electric motor parts diagramScheme electric motor Bike engine diagram[diagram] wiring diagram of motorcycle.

Elementary motor circuit schematic diagramsParts of a motorcycle engine diagram [diagram] electrical motor diagram[diagram] wiring diagram honda cs1.

How to Identify a Motor in a Circuit - Pocket Sparky

Replacing electric motor instructions needed?: can you pull any ...

The ultimate motorcycle diagram: understanding controls for safe ridingmotor drive circuit diagram. Motorcycle engine diagram malaysiaElementary motor circuit schematic diagrams.

Pin on motorcyclesDc motor schematic diagram. Motorcycle engine diagramDc motor schematic diagram..

Motor | Elucidate Education

Schematic diagram electric motor

2 motor cyle on road images, stock photos & vectorsMotor circuits : may 2017 Motor drive circuit diagram.The location of motors.

Motortestseries.png photo by ghorcParts of a motorcycle engine diagram Motor control circuit diagram.motor control circuit diagram..

DC motor schematic diagram. | Download Scientific Diagram

Schematic diagram electric motor

motor circuits : may 2017Solution: motor electric circuit diagram The ultimate motorcycle diagram: understanding controls for safe riding[diagram] wiring diagram honda cs1.

Schematic diagram of the motorcycleBike engine diagram .

2 Motor Cyle On Road Images, Stock Photos & Vectors | Shutterstock The Ultimate Motorcycle Diagram: Understanding Controls for Safe Riding

The Ultimate Motorcycle Diagram: Understanding Controls for Safe Riding

Electric Motorcycle Schematic Diagram - Circuit Diagram

Electric Motorcycle Schematic Diagram - Circuit Diagram

Parts of a Motorcycle Engine Diagram | Quizlet

Parts of a Motorcycle Engine Diagram | Quizlet

Basic Motorcycle Engine Diagram | My Wiring DIagram

Basic Motorcycle Engine Diagram | My Wiring DIagram

Pin on Motorcycles

Pin on Motorcycles